64 100 Ft
Basic szivattyú
Termoplasztik műanyagból lakossági medencék számára készült sokrétűen telepíthető szivattyú. Minden eleme korrózióálló, termoplasztik műanyagból készült, a tartósság és hosszú élettartam érdekében.
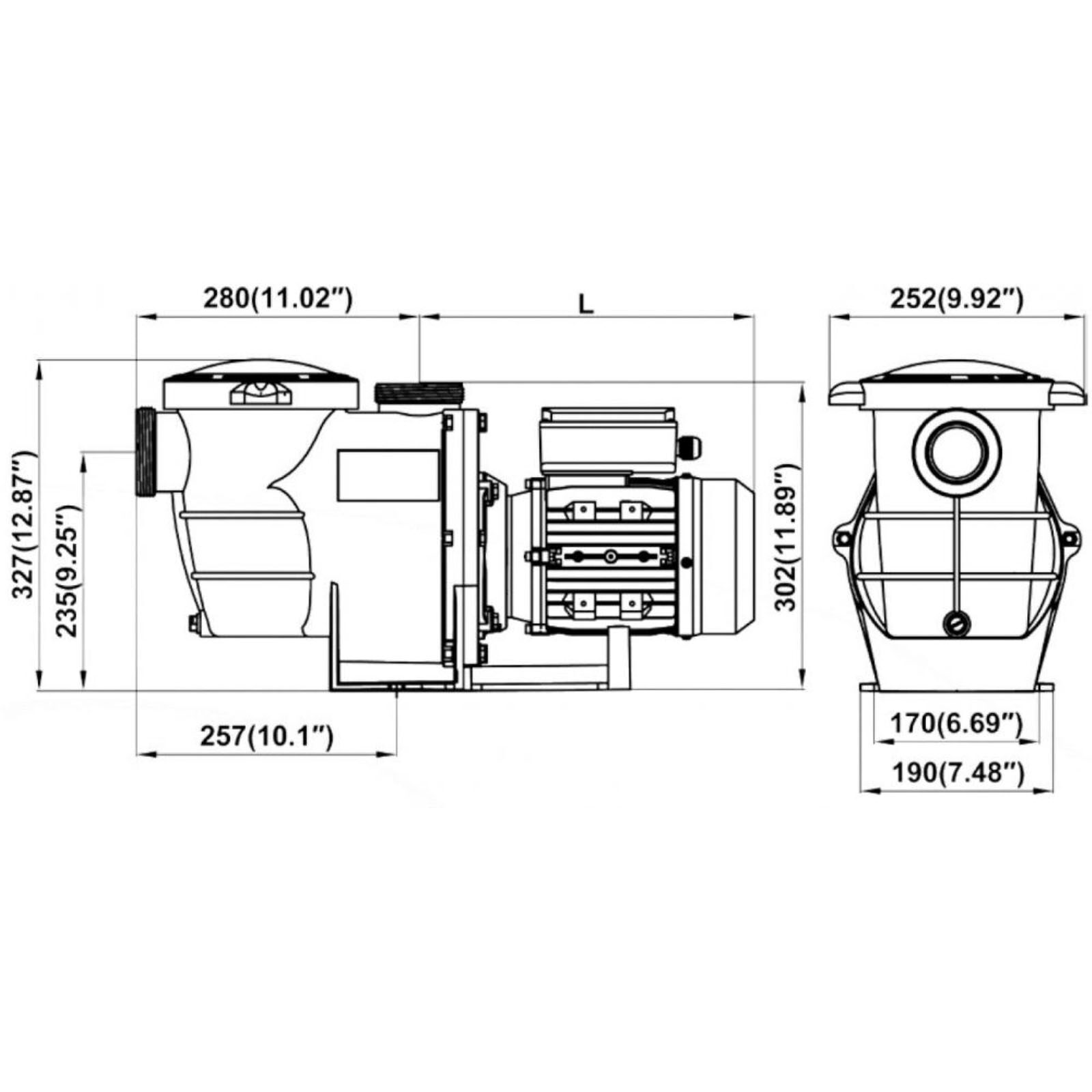
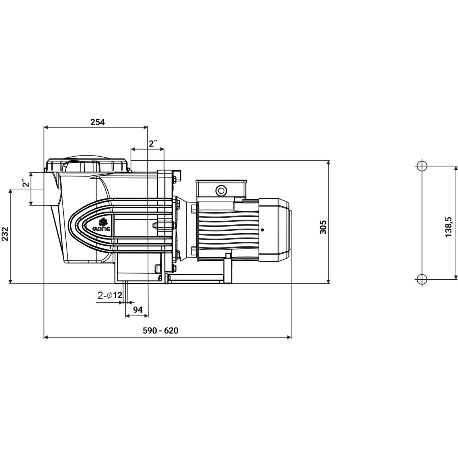
Szívó és nyomó csatlakozások típustól függően 1 1/2” – D50 – D63
Műszaki adatok:
– Működési tartomány: 6 m3/h H=6m
– Teljesítmény: 0,35 HP
– Tápfeszültség: 230 V



