2 014 000 Ft
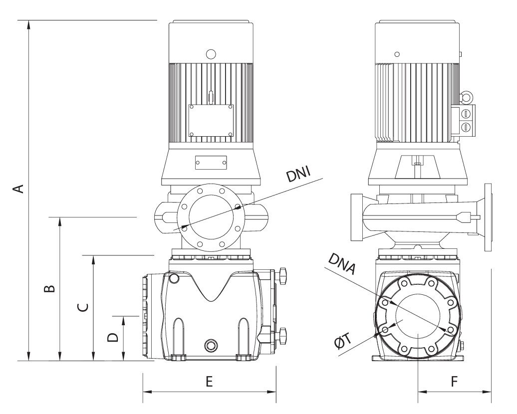
SACI CF-2 öntvény centrifugál szivattyú
Nagy teljesítményű szivattyú közületi használatra. Egy nagy teljesítményű centrifugál szivattyú, amelynek bemenetéhez egy előszűrőt csatlakoztattak, így ezek ideális szivattyúk nagy úszómedencék szűrőegységeihez.
Az elektromos hajtómű a centrifugál ház megbontása nélkül cserélhető a tengelynek köszönhetően.
Jellemzők:
– Bronz vagy öntvény szivattyútest és előszűrő
– Öntvény járókerék (kérésre bronz)
– A motor tengely és előszűrő kosár anyaga AISI 316 rozsdamentes acél
– A csúszógyűrű anyaga carbonkerámia (kérésre silicon-karbid)
– Alacsonyabb üzemi motorhőmérséklet
– IP55 motorvédelem
– 2850-es fordulatszám



