147 000 Ft
Optima szivattyú
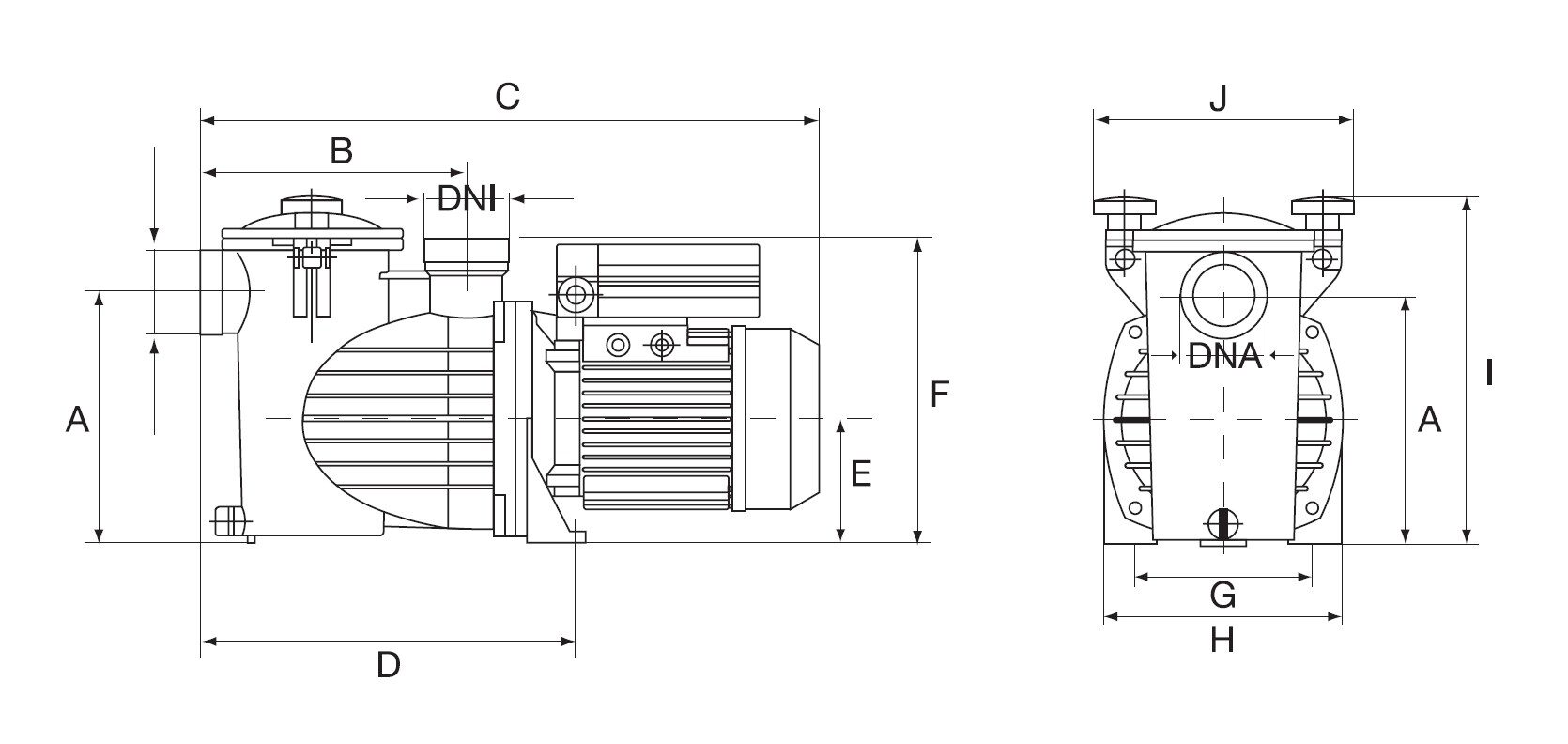
Átlátszó polikarbonát fedéllel ellátott, nagy méretű szűrőkosárral rendelkezik, amely könnyen lehetővé teszi a szűrőkosár telítettségének ellenőrzését. A motor egyetlen része sem érintkezik a vízzel, teljesen szigetelt. A ház és a járókerék üvegszállal erősített polipropilénből készül, ami ellenáll a medencében található vegyi anyagoknak, és hosszú élettartamot tesz lehetővé.
Kifejezetten alkalmas sós vízzel való munkavégzésre, köszönhetően a rozsdamentes acél (AISI-316) és szén-kerámia mechanikus tömítésnek, és az AISI 316 rozsdamentes tengelynek. Csatlakozások: belső menet 1½”, illetve D50 mm ragasztható hollander. OTH engedéllyel rendelkezik.
Műszaki adatok:
– Működési tartomány: 5,5 m3/h H=10m
– Teljesítmény: 0,33 HP
– Tápfeszültség: 230 V



