1 376 000 Ft
FHB Norm szűrőtartály
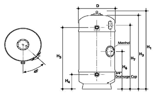
Üvegszál erősítésű MSZ 15236:2013 szabványhoz megfelelő laminált poliészter szűrőtartály közületi medencékhez, figyelőablakkal, vízgyűjtő tölcsérrel. Tartozéka a nyomásmérő óra és légtelenítőszelep. A szűrőágy kollektor karokkal van felszerelve, opcionálisan szűrőlappal. Kérésre rendelhetőek vinilészter bevonattal, ami ózonnak ellenálló kivitel.
Tulajdonságok:
– Teszt nyomása 3,5 kg/cm2
– Üzemi nyomása 2 kg/cm2
– Szűrési sebesség: max. 30 m3/h
– Felső búvónyílás: D125 mm-ig Ø 200 mm, felette Ø 400 mm
– Szűrőágy magasság: 1000 – 1200 mm
– Szabad magasság: 400 mm
– Oldalsó búvónyílás: D125 mm-ig Ø 200 mm, felette Ø 400 mm
– A szűrőtartály OTH engedéllyel rendelkezik
Szűrőtartály
A medence vizének tisztaságát folyamatos vízforgatással és szűréssel tudjuk fenn tartani. Az álló vízben, melyet süt a nap, könnyedén elszaporodhatnak az algák és más szennyeződések, melyek nem csak a látványt rontják, de a fürdőzők egészségére is veszélyesek lehetnek.
A szűrőtartály a vízforgató készülék segítségével az egészen finom szennyeződéseket is kiszűrhetik a vízből, amelyek így fennakadnak a szűrőközegen.



