1 000 Ft
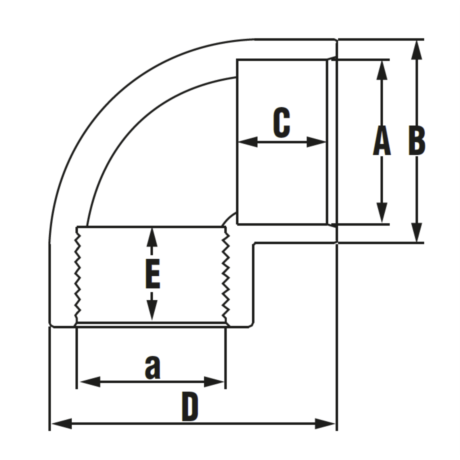
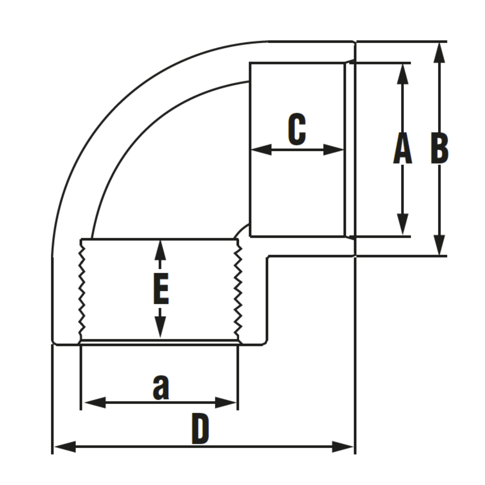
Könyök – 90º
Kiváló minőségű, ragasztható, könnyű PVC-U könyök idom, külső menetes. Hosszú élettartam, kiemelkedő korrózióállóság és kopásállóság jellemzi. Felhasználhatósága egyszerű, összeszerelése praktikus és gyors.
A PVC-U könyök egy csővezetéki szerelvény, amelyet a PVC-U csőrendszerek irányának megváltoztatására használnak. Ez a könyök alakú idom lehetővé teszi a csövek irányának 90 vagy 45 fokos szögben történő megváltoztatását. A PVC-U könyök használata elengedhetetlen a csővezetékek tervezésekor és telepítésekor, különösen ott, ahol a csöveket különböző irányokba kell vezetni.
Műszaki adatok:
– Könyök szöge: 90º
PVC-U
A PVC-U kiváló vegyszerállóságának, a mérsékelt hőállóságának, a széles átmérő tartománynak és a gazdag idom kínálatnak köszönhetően technológiai (savas vagy lúgos közegek) és vízgépészeti (uszoda technika) csőhálózatok kedvelt megoldása.



