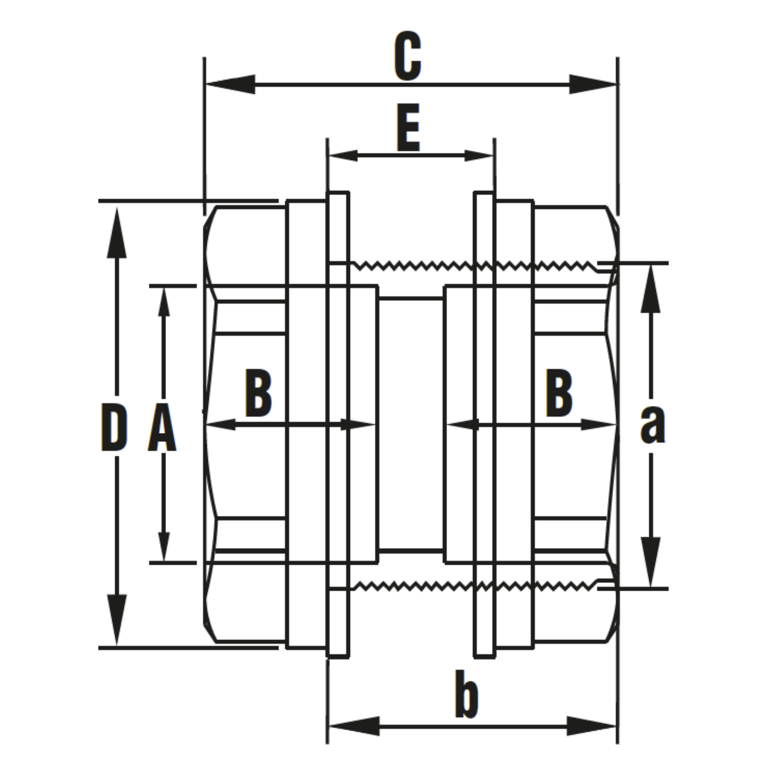
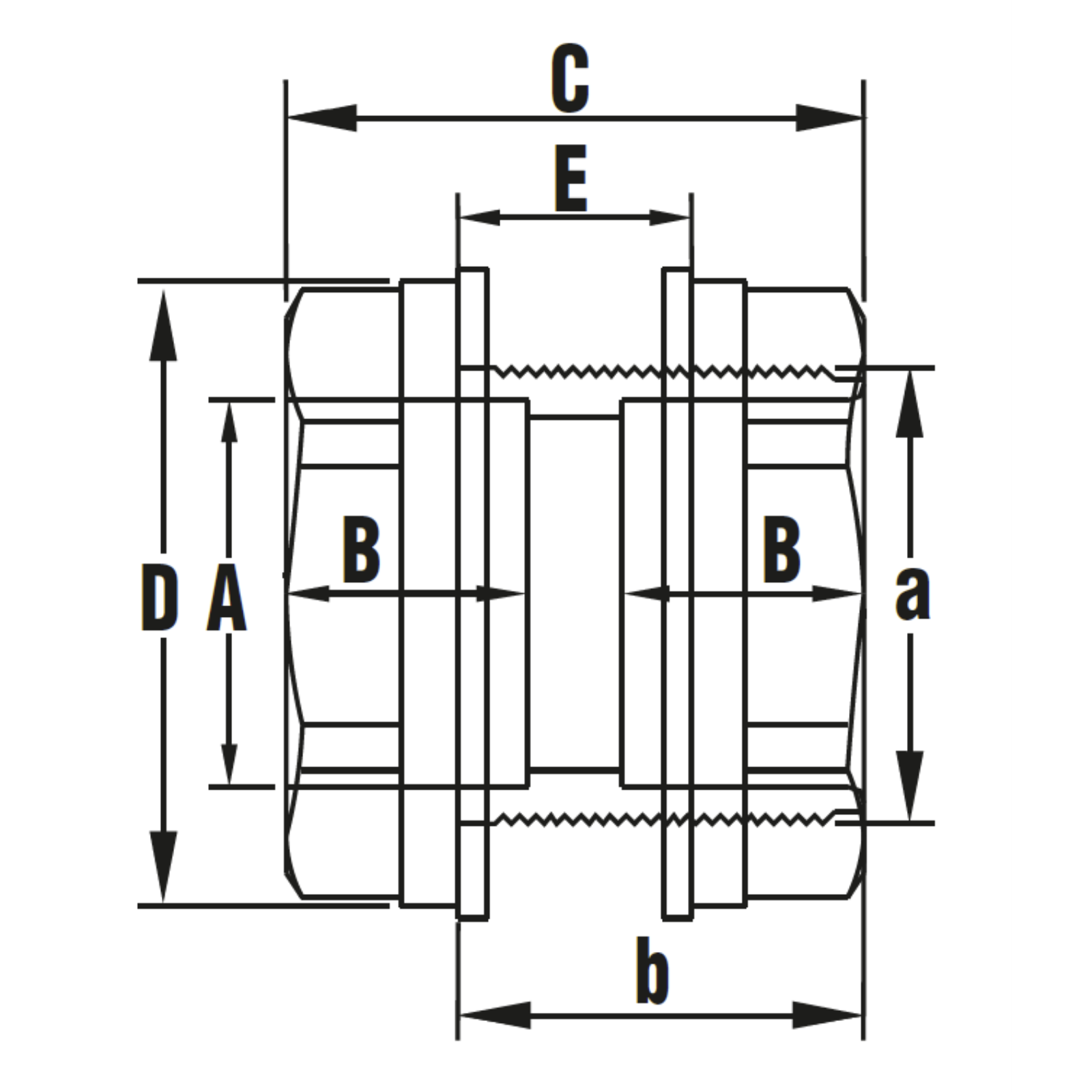
Tartály csatlakozó D32-1 1/4″

1 890 Ft

Tartály csatlakozó

Kiváló minőségű, ragasztható, tartály csatlakozóhoz, PVC-U nyomócsöves rendszer esetén. Hosszú élettartam, kiemelkedő korrózióállóság és kopásállóság jellemzi. Felhasználhatósága egyszerű, összeszerelése praktikus és gyors.

PVC-U
A PVC-U kiváló vegyszerállóságának, a mérsékelt hőállóságának, a széles átmérő tartománynak és a gazdag idom kínálatnak köszönhetően technológiai (savas vagy lúgos közegek) és vízgépészeti (uszoda technika) csőhálózatok kedvelt megoldása.

SKU 085905 Kategória