650 Ft
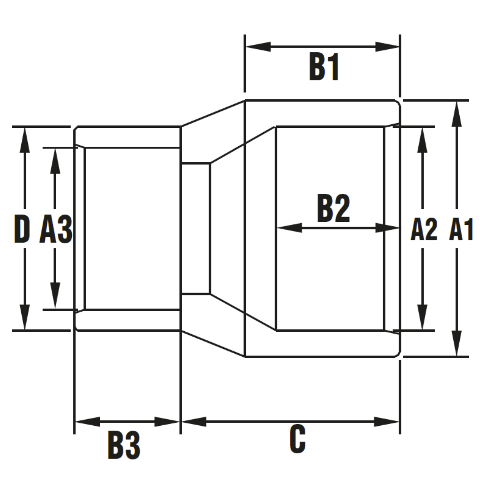
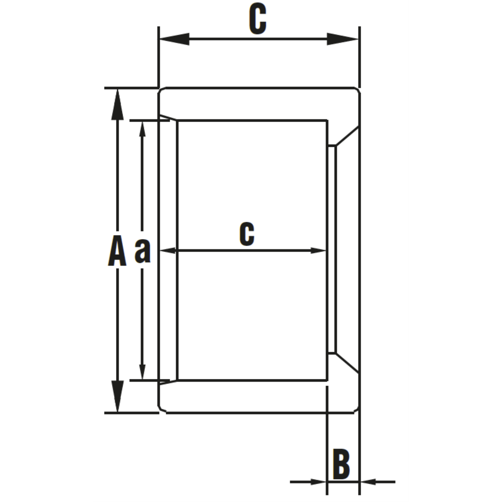
Hosszú szűkítő idom
Kiváló minőségű, ragasztható, könnyű PVC-U hosszú szűkítő idom, nyomócsövekhez. Hosszú élettartam, kiemelkedő korrózióállóság és kopásállóság jellemzi. Felhasználhatósága egyszerű, összeszerelése praktikus és gyors.
Műszaki adatok:
– Méretek: 50 x 40 x 32 mm
PVC-U
A PVC-U kiváló vegyszerállóságának, a mérsékelt hőállóságának, a széles átmérő tartománynak és a gazdag idom kínálatnak köszönhetően technológiai (savas vagy lúgos közegek) és vízgépészeti (uszoda technika) csőhálózatok kedvelt megoldása.



