1 630 Ft
Hosszú szűkítő idom
Kiváló minőségű, ragasztható, könnyű PVC-U hosszú szűkítő idom, nyomócsövekhez. Hosszú élettartam, kiemelkedő korrózióállóság és kopásállóság jellemzi. Felhasználhatósága egyszerű, összeszerelése praktikus és gyors.
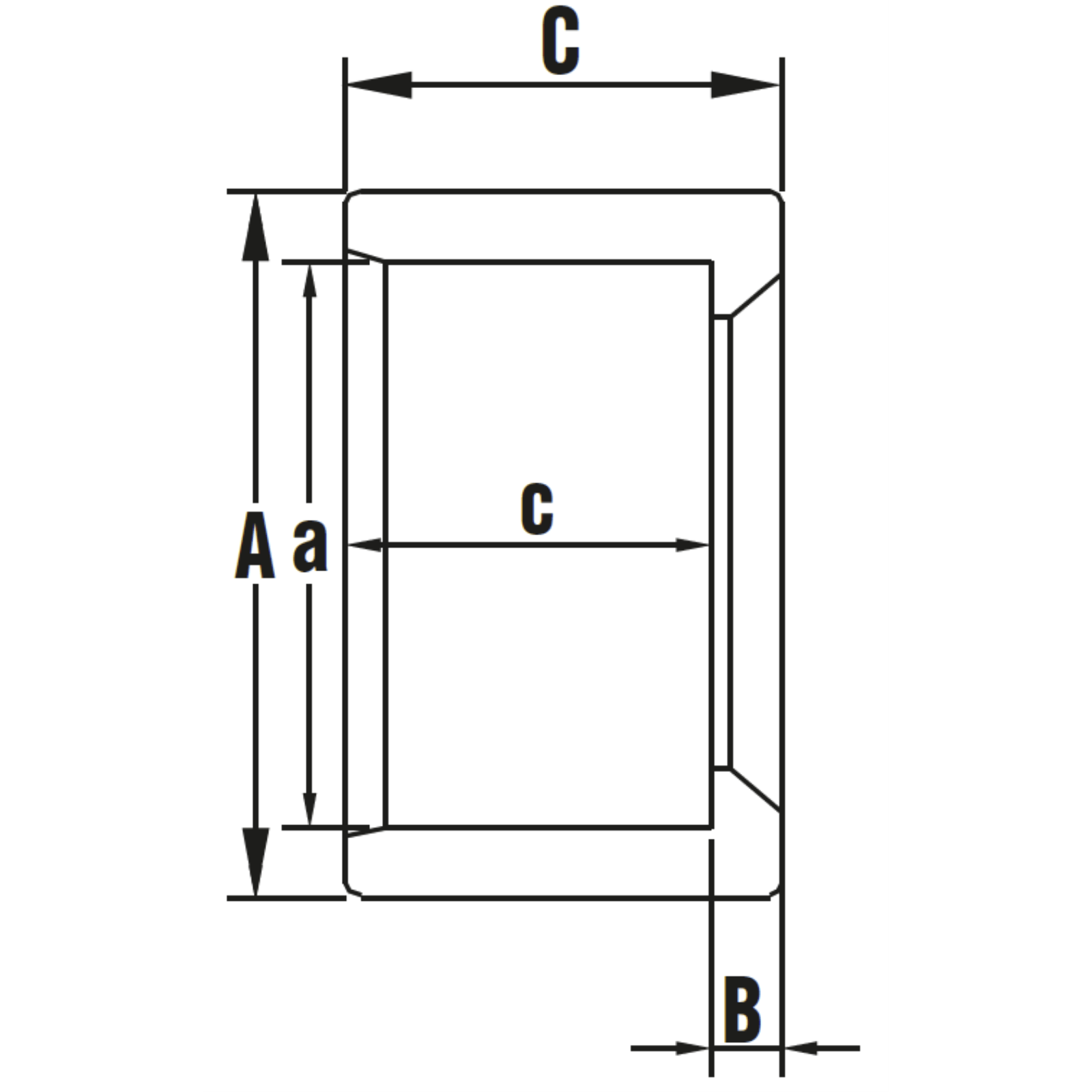
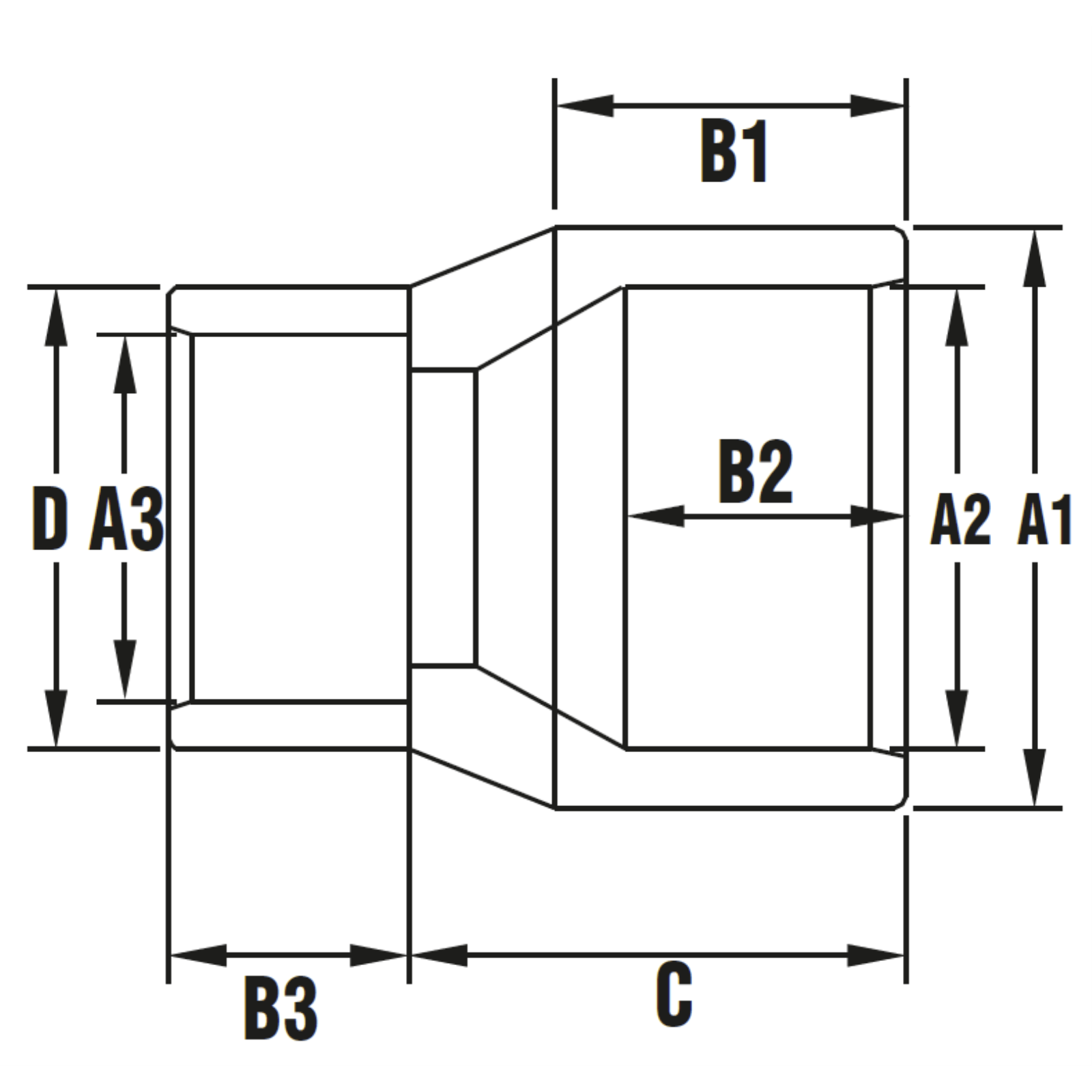
Műszaki adatok:
– Méretek: 75 x 63 x 50 mm
PVC-U
A PVC-U kiváló vegyszerállóságának, a mérsékelt hőállóságának, a széles átmérő tartománynak és a gazdag idom kínálatnak köszönhetően technológiai (savas vagy lúgos közegek) és vízgépészeti (uszoda technika) csőhálózatok kedvelt megoldása.



